- Home
- WESTINGHOUSE
- Cooker Electric
- Upright
- WLE525WA
- 940001802 23
WLE525WA — 940001802 23
WESTINGHOUSE — Cooker Electric
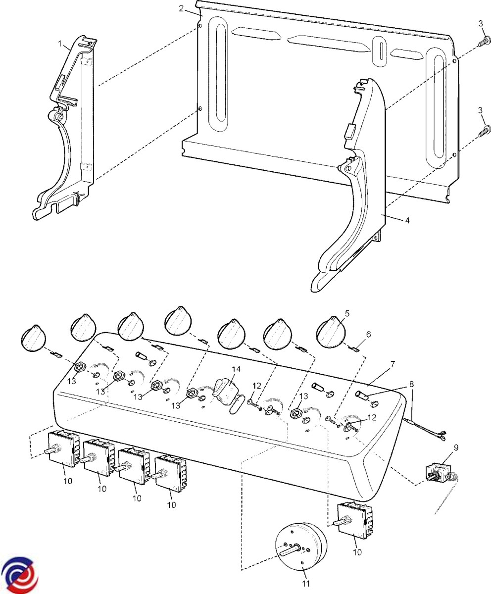
Parts for WLE525WA
W0011232 KNOB WEST 540 WHT RC ELEC FRES
W0011400 DISH GRILL ENAM SEP GRILL
$68.20
W0011404 TRAY SCONE
$19.90
W0011909 HANDLE GRILL DISH
$9.90
W0012254 ELEMENT C/HEAT 1800W SS321
W0012258 ELEMENT BOOST ASSY 800W - BIOS
W0012570 END CAP HANDLE BLK WEST NGD
$14.05
W0012861 DOOR OVEN INNER GLASS
W0012990 SPACER HANDLE BLK FRESCO
$10.25
W0013554 SWITCH ROCKER SINGLE POLE WHT
W0013596 SWITCH THERMAL CUT OUT 190 DEG
W0013627 TRIM DOOR UPPER VENTED
W0014040 SCREW 3/16X28 PAN PH TRILOB ZY
W0022807 HINGE DOOR OVEN
W0032275 LAMP 25W 240V G9 PYRO HALOPIN
W0046253 ELEMENT RAD SML 6MM 1250W ZIM
W0046254 ELEMENT RAD LGE 8MM 2050W ZIM
W0046266 ELEMENT 1000W CL/HEAT + EARTH
W0046406 CLIP MOUNTING ELEMENT
W0053461 RACK GRILL INSERT
W0053487 SHELF OVEN 473 X 378MM
W0057166 CHEF SIMPSON WESTINGHOUSE COOKTOP CONTROL SWITCH MP101
W0057771 THERMOSTAT OVEN
W0058501 TRIM H/PLATE SUPPORT SMALL NA
W0058502 TRIM H/PLATE SUPPORT LARGE NA
W0060755 TIMER 60 MINUTE WESTLAKE
W0062420 LIGHT INDICATOR INC LENS
W0147339 SEAL OVEN MODULAR PROFILE
W0275063 LAMP OVEN ROUND PYRO BIOS
W0011114 TERMINAL BLOCK W/EARTH BIOS
W0011313 COVER WIRING RADIANT
$43.20
W0011407 TRAY SPILL
W0011513 PANEL SIDE WHITE FRESCO
$89.30
W0011606 PNL CNT S/B SCR WLE525WA
$180.70
W0011845 HINGE GR DOOR 540 FRESCO PH2
$7.70
W0011929 HNDL DOOR WEST 7820 WHITE
$60.95
W0011993 NUT METRIC M10 X 0.75MM
$4.50
W0012315 CLIP THERMOSTAT BIOS
$9.00
W0012417 SUPPORT COUNTER FRESCO
$7.05
W0012522 SCREW M4 X 5 PAN #2PH SMALL HD
W0013260 SHIELD WIRING
$11.95
W0013266 SHIELD WIRING HOB INTERIM FRES
$31.90
W0013328 INSULATION OVEN BACK - KNAUF
$20.30
W0013460 BRACE OVEN REAR 540 BIOS
$27.50
W0013731 BUMPER STOP GREY
$5.05
W0013772 HOB S/BACK ENAM RAD FRESCO
$253.50
W0014019 SCREW #6X3.5X28 HILO PAN PH
$4.50
W0014026 SCREW #8 X 5/16 CSK #2PH AB BK
$4.50
W0014029 SCREW #8 X 1/2 MUSH PH#2 AB BK
W0014030 SCREW #8 X 8MM HEX/MULTI
$4.50
W0014034 SCREW #8 X 1/2 MUSH #2PH AB BK
$4.50
W0022171 FOOT LEVELING
$16.35
W0030092 PNL OUT GR ASSY 540 WEST LGE P
W0030093 PNL OUT OV DR ASS 540 WEST PRE
W0037440 PLATE REFLECTOR GRILL R/C
W0037482 PLATE ANTI TILT UPRIGHTS
W0038121 COVER CLEAN HEAT FULL GALV BIO
W0038835 BRACKET SUPPORT HOB 540RC
W0038836 BRACKET SUPPORT HOB 540RC
W0039903 PANEL CABINET REAR (NO HOLE)
$28.00
W0041113 PANEL LOWER BRACE 540
W0044830 FLUE DUCT OVEN ELEC 540 BIOS
W0045532 BOLT STABILISING
W0046271 SUPPORT ELEMENT BOOST
W0047180 SUPPORT GRILL ELEMENT
W0047469 SCREW M4 X 5 PAN #2 PH SML HD
$4.50
W0048101 ENDCAP REAR CONTROL PANEL RHS
W0048102 ENDCAP REAR CONTROL PANEL LHS
W0053471 RACK SIDE GRILL LH/RH
$59.10
W0054672 INSULATION OVEN WRAP - KNAUF
$63.85
W0056177 GRILL BOX ENAM 540 BIOS
W0059836 DUCT GRILL BOX 540 R/C BIOS
W0064367 SCREW 3/16 X 1 PAN PHIL NI
W0064486 SCREW 3/16X28 PAN PH TRILOB BK
W0064527 SCREW NO 8 X 12 MM PD
$4.50
W0064747 NUT HEX 3/16 BSW
$4.50
W0064939 WASHER 3/16 INT S/P ZC
$4.50
W0275742 PANEL KICK 540 SML WHT PREPAIN
$25.05
W0275747 F/FRONT ENAM 540RC SEP GRILL
$57.75